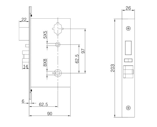
LH6800