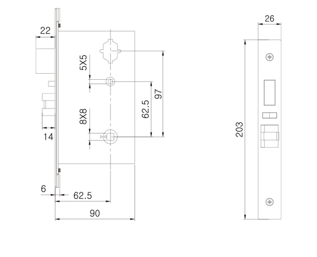
ZL500